佰利乐

元器件&模块解决方案

全国服务热线

400 1386 882

139 0230 5242

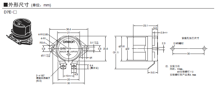
D7E-3欧姆龙倾倒传感器

能快速检测出振动倾倒,以防止2次灾害的发生确保密封性的低成本振动/倾倒传感器 确保保护构造IP67(开关部)的密封性。 对应火炉、风扇加热器等耐环境性要求。 还扩展了检测倾倒用传感器。
电话咨询
彩运网888 - 首页 美彩国际(中国)有限公司 2468彩票网 富彩vip登录|首页 彩运网888 - 首页 1336cc盈彩网 - 首页 9759彩集团 - 首页 U9彩票799cc-u9彩票799绿色-绿色U9彩票旧版-u9彩票799手机版