佰利乐

元器件&模块解决方案

全国服务热线

400 1386 882

139 0230 5242

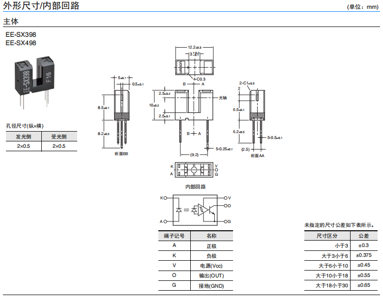
EE-SX498透过式光电欧姆龙传感器

凹槽端子型(槽宽:3mm) • 光电IC输出(分为遮光时ON(EE-SX398)/入光时ON(EE-SX498) 2种类型) • 适用电源电压为DC4.5~16V • 可直接连接C-MOS
电话咨询
彩运网888 - 首页 美彩国际(中国)有限公司 2468彩票网 富彩vip登录|首页 彩运网888 - 首页 1336cc盈彩网 - 首页 9759彩集团 - 首页 U9彩票799cc-u9彩票799绿色-绿色U9彩票旧版-u9彩票799手机版