佰利乐
元器件&模块解决方案
全国服务热线
400 1386 882
139 0230 5242
鼎悦官网
佰利乐
企业介绍
品牌文化
品牌荣誉
品牌视频
公司历程
合作伙伴
产品中心
欧姆龙继电器
欧姆龙开关
欧姆龙连接器
欧姆龙传感器
压差传感器/流量计
宏发继电器
继电器模组
磁保持继电器
高频继电器
安全继电器
信号继电器
功率继电器
车载/DC功率继电器
固态继电器
MOS FET继电器
继电器用插座
欧姆龙微动开关
欧姆龙检测开关
门用开关/电源开关
欧姆龙轻触开关
船型开关
欧姆龙按钮开关
工业用操作开关
DIP开关
拨码开关
带灯轻触开关
欧姆龙鼠标开关
欧姆龙触发开关
基板对FPC连接
基板对电线连接
板对板连接
外部连接
IC插座
短路连接器
USB Type-C接口检测设备
TAB连接器
ZD连接器
印刷基板用端子台
微型光电传感器
反射型传感器
振动传感器/倾倒传感器
人脸识别传感器
IOT传感器
MEMS非接触温度传感器
MEMS压力传感器
微型位移传感器/测距传感器
粉尘传感器
MEMS风量传感器
MEMS流量传感器
流量计
压差传感器
宏发继电器
继电器模组
应用方案
产品应用
行业应用方案
车载设备
电脑相关
家电行业
能源行业
数码通讯
医疗行业
产业机械
楼宇安防
智能锁
微压差传感器应用方案
新能源电子部件解决方案
ATE行业解决方案
服务支持
技术支持
资料下载
开关资料下载
继电器资料下载
连接器资料下载
传感器资料下载
新闻动态
新品发布
新闻资讯
行业动态
公司动态
联系我们
首页
佰利乐
佰利乐
企业介绍
品牌文化
品牌荣誉
品牌视频
公司历程
合作伙伴
产品中心
产品中心
欧姆龙继电器
欧姆龙开关
欧姆龙连接器
欧姆龙传感器
压差传感器/流量计
宏发继电器
继电器模组
应用方案
应用方案
产品应用
行业应用方案
服务支持
服务支持
技术支持
资料下载
新闻动态
新闻动态
新品发布
新闻资讯
行业动态
公司动态
联系我们
首页
产品中心
欧姆龙连接器
USB Type-C接口检测设备
XP2U-001 USB Type-C接口检测设备
XP2U-001 USB Type-C接口检测设备
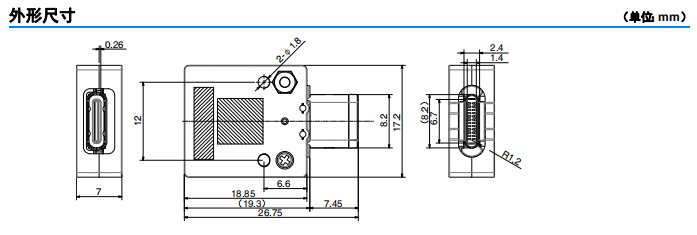
I/O 接口为 USB Type-C 接口的 电子设备检查用插座 • 装备 USB Type-C 3.1 标准接口 (JAE制造 型号:DX07B024JJ3LR1600) • 可以安装至设备等的安装孔 (Ø1.8)
种类
额定/性能
外形尺寸
注意事项
推荐产品
XP2U-001 USB Type-C接口检测设备
电话咨询
400 1386 882
QQ咨询
3294649706
微信咨询
回到顶部
首页
产品
电话咨询
彩运网888 - 首页
美彩国际(中国)有限公司
2468彩票网
富彩vip登录|首页
彩运网888 - 首页
1336cc盈彩网 - 首页
9759彩集团 - 首页
U9彩票799cc-u9彩票799绿色-绿色U9彩票旧版-u9彩票799手机版