佰利乐 2021-02-05
微动开关其实非常的常见,它主要用在如电脑鼠标、汽车鼠标器、汽车电子产品、通讯设备、军工产品,测试仪器、燃气热水器、燃气热水器、煤气灶、小家电、微波炉、电饭锅、浮球设备配套、医疗器械、楼宇自动化、电动工具及一般电气和无线电设备、24小时定时器等.
欧姆龙(OMRON)微动开关V-15-1C25主要应用于工业设备、电子电器、自动化控制、家电器具、仪器仪表、通信设备、医疗器械、交通工业等行业
V系列是追求可靠性、安全性的小型基本开关
【详细说明】
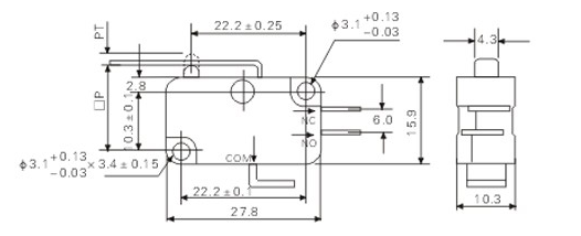
1.外形尺寸图

2.欧姆龙微动开关V型特点如下

电话咨询
QQ咨询
微信咨询
回到顶部